GD450HFY120C2S STARPOWER IGBT 2-PACK MODULES
جریان
برند
مشخصات
برنداستار پاور
نوعماژول آی جی بی تی 2 تایی
حداکثر ولتاژ1200 ولت
حداکثر جریان450 آمپر
IGBT مشابه
۷ روز ضمانت بازگشت کالا
ضمانت اصل بودن کالا
مرکز فروش درایو و اینورتر و ادوات الکترونیک قدرت
ناموجود
محصولات مشابه
مشخصات فنی GD450HFY120C2S
- ماژول 2Pack-IGBT
- قابلیت تحمل جریان پیوسته 450 آمپری (در دمای 100 درجه سانتیگراد)
- قابلیت تحمل ولتاژ 1200 ولتی (Vce)
- ولتاژ گیت امیتر 20 ولت (Vge)
- دارای ترمیستور داخلی
- تلفات هدایتی 2307 وات (در دمای 175 درجه سانتیگراد)
- برند استار پاور (StarPower)
کاربردهای GD450HFY120C2S
- اینورتر و درایوهای صنعتی
- UPS
- درایورهای Servo جریان مستقیم DC و جریان متناوب AC
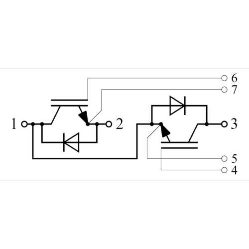
ساختار داخلی GD450HFY120C2S
ساختار داخلی ماژول GD450HFY120C2S در زیر نشان داده شده است.

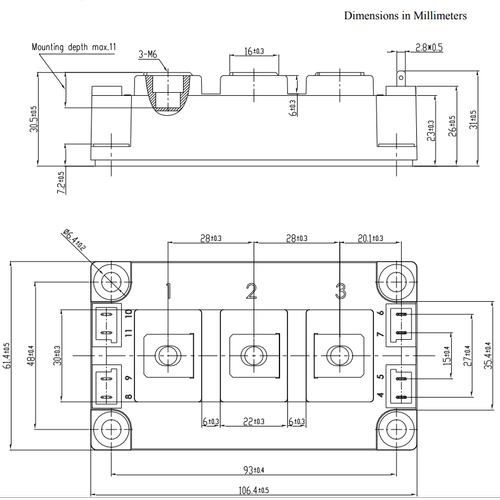
شماره پایه های ماژول GD450HFY120C2S در زیر نشان داده شده است.

ابعاد ماژول GD450HFY120C2S
- طول کل: 94.1mm
- عرض کل: 31mm
- ارتفاع کل: 30.5mm
ماژول های مشابه فروش GD450HFY120C2S
- ماژول
دیتاشیت GD450HFY120C2S
جهت دانلود دیتاشیت می توانید از سایت اصلی و یا از اینجا اقدام نمایید.
مشخصات
GD450HFY120C2S STARPOWER IGBT 2-PACK MODULES
برنداستار پاور
نوعماژول آی جی بی تی 2 تایی
حداکثر ولتاژ1200 ولت
حداکثر جریان450 آمپر
IGBT مشابه
دیدگاه ها










