CM100TU-24F MITSUBISHI IGBT 6-PACK MODULES
برند
جریان
مشخصات
برندمیتسوبیشی الکتریک
نوعماژول آی جی بی تی 6 تایی
حداکثر ولتاژ1200 ولت
حداکثر جریان100 آمپر
IGBT مشابه
۷ روز ضمانت بازگشت کالا
ضمانت اصل بودن کالا
مرکز فروش درایو و اینورتر و ادوات الکترونیک قدرت
ناموجود
محصولات مشابه
مشخصات فنی CM100TU-24F
- ماژول 6Pack-IGBT
- قابلیت تحمل جریان پیوسته 100 آمپری
- قابلیت تحمل ولتاژ 1200 ولتی (Vce)
- ولتاژ گیت امیتر 20 ولت (Vge)
- دارای ترمیستور داخلی
- دارای پل دیود سه فاز
- برند میتسوبیشی الکتریک (Mitsubishi Electric)
کاربردهای CM100TU-24F
- اینورتر و درایوهای صنعتی
- UPS
- درایورهای Servo جریان مستقیم DC و جریان متناوب AC
ساختار داخلی CM100TU-24F
ساختار داخلی ماژول CM100TU-24F در زیر نشان داده شده است.

شماره پایه های ماژول CM100TU-24F در زیر نشان داده شده است.

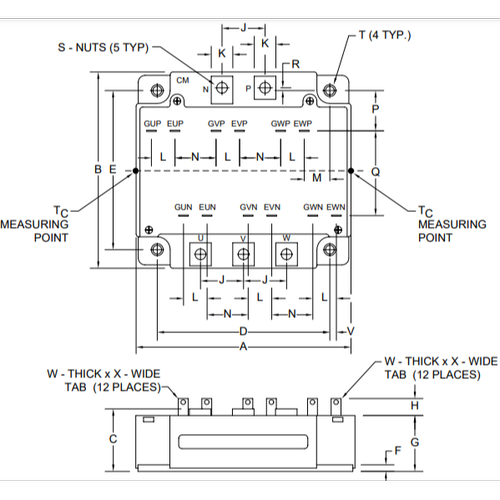
ابعاد ماژول CM100TU-24F
- طول کل: 107mm
- عرض کل: 102mm
- ارتفاع کل: 34mm
ماژول های مشابه فروش CM100TU-24F
- ماژول
دیتاشیت CM100TU-24F
جهت دانلود دیتاشیت می توانید از سایت اصلی و یا از اینجا اقدام نمایید.
مشخصات
CM100TU-24F MITSUBISHI IGBT 6-PACK MODULES
برندمیتسوبیشی الکتریک
نوعماژول آی جی بی تی 6 تایی
حداکثر ولتاژ1200 ولت
حداکثر جریان100 آمپر
IGBT مشابه
دیدگاه ها












