SKIIP35NAB12T4V1 SEMIKRON IGBT 7-PACK MODULES
جریان
برند
مشخصات
برندسمیکرون
نوعماژول آی جی بی تی 7 تایی به هم...
حداکثر ولتاژ1200 ولت
حداکثر جریان50 آمپر
IGBT مشابه
۷ روز ضمانت بازگشت کالا
ضمانت اصل بودن کالا
مرکز فروش درایو و اینورتر و ادوات الکترونیک قدرت
ناموجود
محصولات مشابه
مشخصات فنی SKIIP35NAB12T4V1
- ماژول 7Pack-IGBT
- قابلیت تحمل جریان پیوسته 55 آمپری (در دمای 70 درجه سانتیگراد)
- قابلیت تحمل ولتاژ 1200 ولتی (Vce)
- قابلیت تحمل جریان 55 آمپری بریک یونیت (در دمای 70 درجه سانتیگراد)
- ولتاژ گیت امیتر 20 ولت (Vge)
- دارای ترمیستور داخلی
- دارای پل دیود سه فاز
- برند سمیکرون (Semikron)
کاربردهای SKIIP35NAB12T4V1
- اینورتر و درایوهای صنعتی
- UPS
- درایورهای Servo جریان مستقیم DC و جریان متناوب AC
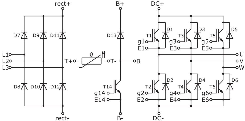
ساختار داخلی SKIIP35NAB12T4V1
ساختار داخلی ماژول SKIIP35NAB12T4V1 در زیر نشان داده شده است.

شماره پایه های ماژول SKIIP35NAB12T4V1 در زیر نشان داده شده است.

ابعاد ماژول SKIIP35NAB12T4V1
- طول کل: 82mm
- عرض کل: 59mm
- ارتفاع کل: 16mm
ماژول های مشابه فروش SKIIP35NAB12T4V1
- ماژول
دیتاشیت SKIIP35NAB12T4V1
جهت دانلود دیتاشیت می توانید از سایت اصلی و یا از اینجا اقدام نمایید.
مشخصات
SKIIP35NAB12T4V1 SEMIKRON IGBT 7-PACK MODULES
برندسمیکرون
نوعماژول آی جی بی تی 7 تایی به همراه پل دیود سه فاز
حداکثر ولتاژ1200 ولت
حداکثر جریان50 آمپر
IGBT مشابه
دیدگاه ها










